产品概要
和PC简单连接后进行测量!
允许过载为额定容量的500%,万一发生意外的负载在此范围内的话不会影响精确度。
● 容量 1 kN、2 kN、5 kN、10 kN、20 kN、50 kN
● 高刚性&允许过载500%
● 便捷的维护性
● 内置放大器
● 无需仪表可使用保持功能和上下限比较功能!
● 在PC上实时显示负载变化
高刚性&允许过载500%
因为负载时的变形小,也可用千机床的切削,磨削力的测定。
允许过载为额定容量的500%,万一发生意外的负载在此范围内的话不会影响精确度。
便捷的维护性
DSCB出货时都会调整好零点和测定范围,传感器更换时不需要校正。
由于电缆和传感器本体通过航空插头连接,因此更换传感器本体时无需重新进行麻烦的电缆布线。
因为知道出货时和现在的零点的偏差,所以能很快察觉异常。
拥有抗干扰强的数字输出
RS -485标准的输出形式抗干扰强,可进行长距离电缆布线安装。
内置多种功能
内置上下限比较,多种保持功能
可通过命令调整数字低通滤波器和移动平均滤波器。
不需要专用仪表就可以直接连接PC和PLC等
可以连接PC通过专用软件(免费)绘制出波形和记录数据。
●OK/NG判定功能
上下限比较(HH・HI・OK・LO・LL)
●初始设定简单
可读取写入设定值
●波形绘制
通过实时波形的绘制,使传感器的负载变化可视化
稳定・上下限比较状态也能一眼看出
可保存波形数据
稳定・上下限比较状态也能一眼看出
可保存波形数据
●记录
记录测量值和状态(上下限比较等)
DSCB专用USB软件
通过USB可实时显示传感器的负载变化。

■显示设定
●正常
「Start」点击按钮后,获得指定了的时间段的数据。
「Stop」点击按钮后,停止
「Stop」点击按钮后,停止
〇连续获取数据功能
「Stop」点击按钮前持续获得数据
〇触发功能
「Start」点击按钮后,会进入触发等待状态
把数据层指定了的值在指定了的方向上,在通过了的时间点上获取数据
把数据层指定了的值在指定了的方向上,在通过了的时间点上获取数据
●履历
图表显示以往数据
■触发功能
・预触发 ・水平触发 ・触发斜率
※使用DSCB用的USB专用软件时需要另外的RS-485-USB转换器。
推荐产品:SI-35USB-L(LINE EYE)
※专用软件可以从我司官网上下载。
可同时打开多个专用软件,1台电脑可连接多个DSCB。
技术参数
DSCB-1KN, DSCB-2KN, DSCB-5KN
| 型号 | DSCB-1KN | DSCB-2KN | DSCB-5KN |
|---|---|---|---|
| 额定容量 | 1 kN | 2 kN | 5 kN |
| 允许超过负载 | 500% R.C. | ||
| 非线性 | 0.1% R.O. 以下 | ||
| 滞后性 | 0.2% R.O. 以下 | ||
| 重复性 | 0.1% R.O. 以下 | ||
| 补偿温度范围 | -10 ~ +60℃ | ||
| 允许温度范围 | -20 ~ +70℃ | ||
| 零点的温度影响 | 0.015% R.O./℃ 以下 | ||
| 输出的温度影响 | 0.01% R.O./℃ 以下 | ||
| 转换分辨率 | 24 bit | ||
| 负载的弯度 | 0.010 mm | 0.012 mm | 0.021 mm |
| 固有频率 | 22 kHz | 22 kHz | 21 kHz |
| 传感器材质 | 不锈钢制 | ||
| 重量 | 300 g | 300 g | 400 g |
| 电源电压 | DC 12 ~ 24 V±15%(内部绝缘) | ||
| 消耗电量 | 0.7 W 以下 | ||
| 数字低通滤波 | OFF、0.1 ~ 999.9 Hz之间可以任意设定 | ||
| 移动平均滤波 | OFF、 2 ~ 999回次之间可以任意设定 | ||
| 采样速度 | 4800次/秒 | ||
| 接口 | RS-485接口(4芯) | ||
| 操作・设定方法 | 通过命令操作或专用软件(免费软件)进行显示・设定 | ||
| 专用软件功能 | ・显示负载值 ・波形绘制 ・变更各种设定 ・数据保存功能 |
||
| 显示位数 | 5位 (-99999 ~ +99999 有小数点) | ||
| 其它功能 | ・数字清零 ・OK/NG判定(上下限比较:HH・HI・OK・LO・LL) ・保持功能(采样、峰值、谷值、峰值&谷值、平均值) ・校正日/定格容量/读取产品序列号信息 |
||
| 电缆线 | φ5 6芯屏蔽柔性电缆线 2 m 头部散状 | ||
| 另售商品 | φ5 6芯屏蔽柔性电缆线 5 m 头部散状 | ||
| 符合CE认证 | 2011/65/EU+(EU)2015/863, 2014/30/EU(EN61326-1) | ||
DSCB-10KN, DSCB-20KN, DSCB-50KN
| 型号 | DSCB-10KN | DSCB-20KN | DSCB-50KN |
|---|---|---|---|
| 额定容量 | 10 kN | 20 kN | 50 kN |
| 允许超过负载 | 500% R.C. | ||
| 非线性 | 0.1% R.O. 以下 | ||
| 滞后性 | 0.2% R.O. 以下 | ||
| 重复性 | 0.1% R.O. 以下 | ||
| 补偿温度范围 | -10 ~ +60℃ | ||
| 允许温度范围 | -20 ~ +70℃ | ||
| 零点的温度影响 | 0.015% R.O./℃ 以下 | ||
| 输出的温度影响 | 0.01% R.O./℃ 以下 | ||
| 转换分辨率 | 24 bit | ||
| 负载的弯度 | 0.025 mm | 0.035 mm | 0.065 mm |
| 固有频率 | 24 kHz | 26 kHz | 15 kHz |
| 传感器材质 | 不锈钢制 | ||
| 重量 | 400 g | 2.0 kg | |
| 电源电压 | DC 12 ~ 24 V±15%(内部绝缘) | ||
| 消耗电量 | 0.7 W 以下 | ||
| 数字低通滤波 | OFF、0.1 ~ 999.9 Hz之间可以任意设定 | ||
| 移动平均滤波 | OFF、 2 ~ 999回次之间可以任意设定 | ||
| 采样速度 | 4800次/秒 | ||
| 接口 | RS-485接口(4芯) | ||
| 操作・设定方法 | 通过命令操作或专用软件(免费软件)进行显示・设定 | ||
| 专用软件功能 | ・显示负载值 ・波形绘制 ・变更各种设定 ・数据保存功能 |
||
| 显示位数 | 5位 (-99999 ~ +99999 有小数点) | ||
| 其它功能 | ・数字清零 ・OK/NG判定(上下限比较:HH・HI・OK・LO・LL) ・保持功能(采样、峰值、谷值、峰值&谷值、平均值) ・校正日/定格容量/读取产品序列号信息 |
||
| 电缆线 | φ5 6芯屏蔽柔性电缆线 2 m 头部散状 | ||
| 另售商品 | φ5 6芯屏蔽柔性电缆线 5 m 头部散状 | ||
| 符合CE认证 | 2011/65/EU+(EU)2015/863, 2014/30/EU(EN61326-1) | ||
系统构成例

电缆线

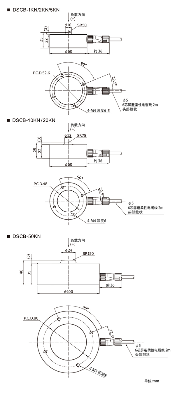
外形尺寸

下载
- 关于使用说明书,产品外观图,支援工具,软件等,请在登录的前提下下载使用。
- 阅览PDF格式的文件时,需要下载并安装Adobe公司的Acrobat Reader。
|
产品单页介绍(PDF)
|
DSCB产品单页介绍 | |
|---|---|---|
|
使用说明书(PDF)
|
DSCB使用说明书 DCSB补充说明书「RS-485接口」 |
|
|
外观图
|
DXF
(ZIP) |
|
|
PDF
|
||
|
支援工具
|
||
|
软件
|
Software for DSCB英语版 | |


