产品概要
半导体制造业中设备集成的理想之选!
低硅测力传感器
低硅测力传感器
在半导体的生产过程中,使用不易释放硅氧烷(由硅树脂所释放的气体)的设备至关重要。
UWR是一种梁式测力传感器。
考虑到该传感器将被应用在硅晶片附近,生产时使用了不易产生氯气的聚四氟乙烯护套电缆。
技术参数
| 型号 | UWR-10N | |||
|---|---|---|---|---|
| 额定容量 | 10 N | |||
| 额定输出 | 約 0.5 mV/V | |||
| 允许负载 | 300% R.C. | |||
| 零点平衡 | ±20% R.O. | |||
| 非线性 | 0.03% R.O. | |||
| 滞后性 | 0.03% R.O. | |||
| 重复性 | 0.02% R.O. | |||
| 补偿温度范围 | 0 〜 +50℃ | |||
| 允许温度范围 | −10 〜 +70℃ | |||
| 零点的温度影响 | 0.5% R.O./10℃ | |||
| 输出的温度影响 | 0.2% R.O./10℃ | |||
| 输入端子间阻抗 | 约 1000 Ω | |||
| 输出端子间阻抗 | 约 1000 Ω | |||
| 推荐激励电压 | 5 V | |||
| 绝缘阻抗(DC 50 V) | 1000 MΩ 以上 | |||
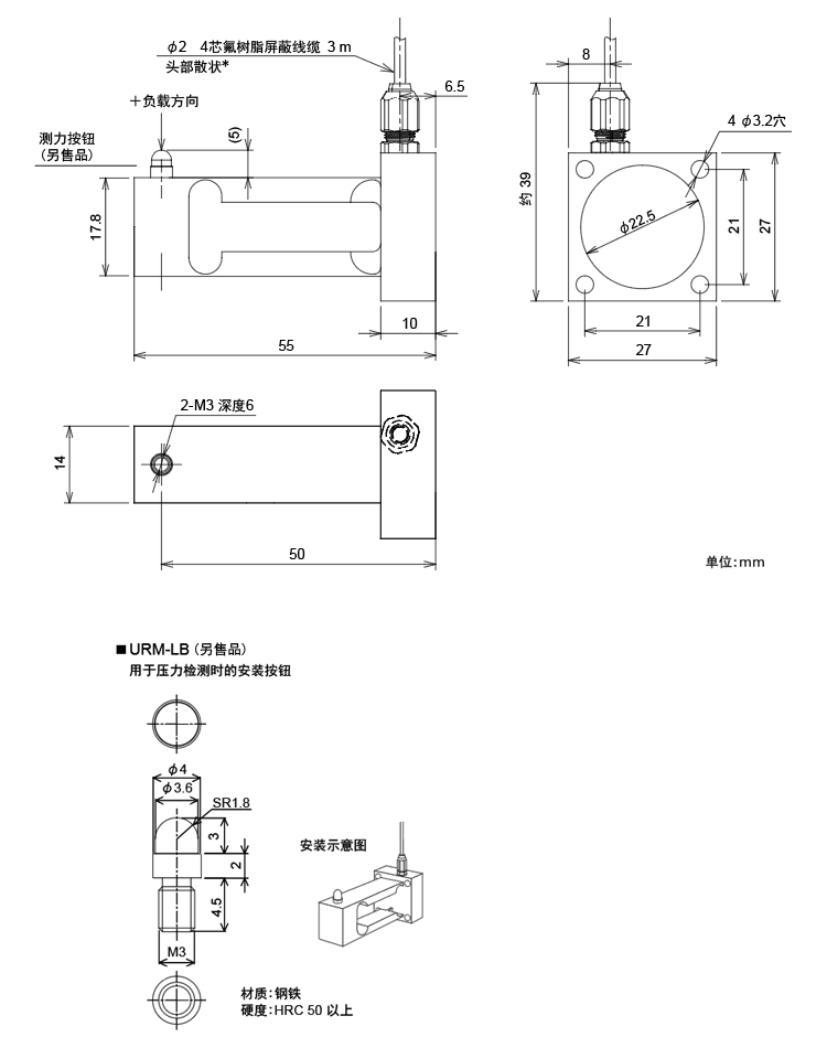
| 电缆线 | φ2 4芯氟树脂屏蔽线缆 3 m 头部散状 | |||
| 负载的弯度 | 0.04 mm | |||
| 固有频率 | 2.5 kHz | |||
| 重量 | 约 40 g (不含电缆) | |||
| 传感器材质 | 铝合金 | |||
使用案例・配线图


外形尺寸

下载
|
产品单页介绍(PDF)
|
UWR产品单页介绍 | |
|---|---|---|
|
使用说明书(PDF)
|
UWR使用说明书 | |
|
外观图
|
DXF
(ZIP) |
|
|
PDF
|
||
|
支援工具
|
||
|
软件
|
||
- 关于使用说明书,产品外观图,支援工具,软件等,请在登录的前提下下载使用。
- 阅览PDF格式的文件时,需要下载并安装Adobe公司的Acrobat Reader。


